Управление светильниками по протоколу 1-10V
С помощью датчиков присутствия можно не только организовать включение и отключение освещения, но и реализовать оптимальный режим работы осветительных приборов. С этой целью в датчик добавляется диммирующий выход 1-10V, управляющие подключенными ЭПРА.
Использование протокола 1-10V в системах управления освещением
Зачем может потребоваться автоматическое диммирование?
В офисных, производственных и учебных помещениях предъявляются строгие требования
к нормам освещенности. При этом естественного утреннего и вечернего освещения часто не хватает для того, чтобы обеспечить эти нормативы. В дневные часы его достаточно только при условии большого остекления.
Так как регулировать освещение вручную неудобно, и мы часто забываем об этом, стоит автоматизировать этот процесс с помощью датчика присутствия, оснащенного диммером
с подходящим интерфейсом, например, «1-10V» (DIM).
Используют диммирование и для создания ориентирующего освещения. Фактически это фоновая подсветка, обеспечивающая достижение нужного уровня освещенности для ориентации
в помещениях.
Как работает автоматическая система управления освещением 1-10V?
Система управления освещением с помощью датчика присутствия 1-10V работает по нескольким сценариям. Например, сотрудники приходят на свое рабочее место (ученики или студенты заходят в аудиторию), датчик присутствия регистрирует наличие людей и выполняет измерение уровня освещенности.
Если естественное освещение отсутствует или его недостаточно, например, зимним утром, с помощью встроенного в датчик протокола 1-10V отдается команда на включение освещения на 100%.
В течение дня, пока в помещении находятся люди, датчик регистрирует присутствие и выполняет замеры уровня освещенности. В случае уменьшения или увеличения уровня суммарной освещенности, он посылает управляющий сигнал по линии «1-10 V» и светильники диммируются на необходимый уровень.
Все это происходит в автоматическом режиме и зависит от двух факторов: присутствия и текущей освещенности. Если уровень естественного освещения становится больше порогового значения на датчике, встроенное реле отключает светильники.
Управлять освещением можно и в ручном режиме. На датчиках 1-10V предусмотрены выходы для кнопочных выключателей. С их помощью возможно ручное диммирование, а также включение или выключение группы освещения. Эти действия не запоминаются датчиком и работают только тогда, когда есть присутствие в зоне его действия.

Создать ориентирующие освещение в помещении может диммирующий датчика присутствия 1-10V. На программном уровне у него заложена данная функция. После отчета основной задержки отключения, светильники будут гореть на 20% своей мощности. Вы можете выбрать время работы данного освещения или на потенциометре или с пульта ДУ. Данная функция часто используется в стеклянных офисах или коридорах гостиницы.
Датчика присутствия 1-10V позволяет не просто настроить включение и отключение освещения по определенным событиям, но и обеспечивает нормированный уровень освещенности, в зависимости от наличия естественного света.
Обратите внимание, что для использования доступны датчики с одним и двумя независимыми каналами управления светильниками с ЭПРА 1-10V. Второй вариант позволяет сделать зонированное и равномерное освещение во всем помещении.
Например, по-разному регулировать группы освещения около окна и в глубине помещения.
В ассортименте компании B.E.G. есть решения, подходящие, в том числе, и для подобного случая.
Как подключаются датчики?
Разберем типовые схемы подключения оборудования, производящегося немецким концерном B.E.G. Простейший вариант использования датчиков с выходам 1-10V – сумеречный выключатель.

Подключенная к такому прибору ЭПРА с DIM-управлением обеспечит заданное освещение в любое время суток.
При использовании потолочных датчиков B.E.G. типа PD4-M-DUO-DIM схема включения будет следующей:

В данной схеме к потолочным датчикам DUO подключаются две группы освещения, управляемых раздельно и с двумя независимыми сенсорами освещенности. К датчику могут подключаться до
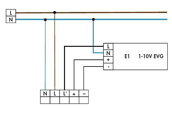
50 ЭПРА. По аналогичной схеме подключаются и одноканальные датчики, оснащенные выходами 1-10V, например, PD4-M-DIM. Только группа освещения в этом случае будет одна.
Также в ассортименте продукции B.E.G. представлены датчики TRIO с двумя независимыми каналами диммирования 1-10V и одним мощным сухим контактом на 3 кВт.
Диммер 1-10V и размещение датчиков
Рассмотрим вариант применения потолочных датчиков присутствия с двумя и тремя каналами управления.
Установив в аудитории датчик PD4-M-DUO-DIM, можно организовать две линии управления: около окна и вдали от окна. С помощью одного датчика поддерживается разный уровень работы осветительных приборов в разных частях помещения.

При установке датчиков типа PD4-M-TRIO-DIM можно организовать более интересную схему управления освещением: дополнительно к управлению осветительными приборами по всей площади помещения организовать управляемую подсветку доски (или в случае офиса, подсоединить HVAC нагрузку), на которой располагаются учебные или презентационные материалы.

Установка датчиков присутствия со встроенным протоколом 1-10V позволяет реализовать автоматическую систему управления освещением и обеспечить нормированный и постоянный уровень освещенности в любое время суток.
При установке такой системы вы получаете комфортный уровень освещенности для глаз и уменьшаете затраты на электроэнергию.
Хотите заказать проект или задать вопрос?
Просто сообщите нам и опытные инженеры помогут как с выбором нужного решения, так и оптимизируют его именно под ваши требования
- mng@belintegra.by
- РБ, 220124, г. Минск, ул. Лынькова, 63
- +375 (17) 368-85-02
- РФ, г.Москва, Киевское шоссе 21-й км, д.3, стр.1, офис 213
- +7 (499) 322-26-33
- РК, г.Алматы
- +7 (777) 209-45-45

